กระบอกวางตำแหน่งเครื่องตัด
กระบอกวางตำแหน่งเครื่องตัด BESTEN ข้อดีของผลิตภัณฑ์
1, ลูกสูบสแตนเลสปิดผนึกบดละเอียด: วัสดุอลูมิเนียมออกไซด์, ทนทาน, มั่นคงและไม่หลวม
2,แหวนปิดผนึกความแม่นยำ: การผลิต Seiko,ใช้เวลานานเรียบ,ไม่หลวมไม่ง่ายที่จะรั่วไหล
3 พื้นผิวเรียบตามขวาง: ก้านลูกสูบเรียบ ส่วนแขนขวางขวางต้านทานการกัดกร่อนเรียบ
4 วัสดุโลหะผสม: การออกซิเดชันอย่างหนักของพื้นผิวกระบอกสูบ: กระบอกสูบทำจากอลูมิเนียมบริสุทธิ์สำหรับการเกิดออกซิเดชันอย่างหนัก สร้างฟิล์มออกไซด์บนพื้นผิวเพื่อปรับปรุงความต้านทานการสึกหรอของกระบอกสูบและความต้านทานการกัดกร่อน
5,ประสิทธิภาพที่มั่นคง,ความดันสูง,ติดตั้งง่าย
กระบอกวางตำแหน่งเครื่องตัด รายละเอียดสินค้า
1 ทำไมต้องติดตั้งกระบอกสูบ: ก่อนที่เครื่องตัดจะเริ่มทำงาน เราจำเป็นต้องค้นหาต้นกำเนิดของชิ้นงานที่จะประมวลผล หากไม่มีกระบอกสูบตำแหน่ง เราจำเป็นต้องปรับตำแหน่งของแต่ละแผ่นซ้ำ ๆ เพื่อให้มั่นใจในความแม่นยำและความแม่นยำของการประมวลผล หลังจากติดตั้งกระบอกสูบกำหนดตำแหน่งแล้ว เราสามารถมั่นใจได้ว่าวัสดุจะถูกวางในตำแหน่งเดียวกันบนแต่ละแผ่น โดยไม่ต้องกำหนดแหล่งกำเนิดของชิ้นงานซ้ำๆ ซึ่งใช้งานง่ายและประหยัดเวลา
2. การติดตั้งกระบอกสูบตำแหน่ง: โดยทั่วไปเครื่องตัด CNC แต่ละเครื่องจะมีกระบอกสูบตำแหน่งแบบนิวแมติก 5 หรือ 6 ตัวซึ่งอยู่ในทิศทางแกน Y และทิศทางแกน X ของตัวเครื่องตัด ทิศทางแกน Y 3 หรือ 4 ทิศทางแกน X 2. การติดตั้งกระบอกสูบตำแหน่ง ข้อกำหนดที่เข้มงวดมากขึ้น การติดตั้งฐานกระบอกสูบโดยใช้เหล็กหล่อหรือความสามารถในการหน่วงแผ่นดินไหวของวัสดุที่แข็งแกร่ง แผ่นจะไม่เปลี่ยนรูปเมื่อมีการชนกันของตำแหน่งอย่างต่อเนื่อง นอกจากนี้ การติดตั้งจำเป็นต้องใช้ไดอัลมิเตอร์เพื่อปรับกระบอกสูบกำหนดตำแหน่งเพื่อให้แน่ใจว่าทิศทางแนวตั้งและโต๊ะเป็นมุม 90 มุม และทิศทางรูปตัว L ของกระบอกสูบกำหนดตำแหน่งก็เป็น 90 มุมเช่นกัน
พารามิเตอร์ผลิตภัณฑ์กระบอกวางตำแหน่งเครื่องตัด
ชื่อผลิตภัณฑ์ |
ช่างแกะสลักวางตำแหน่งกระบอกสูบเครื่องบิน |
· ของไหล ใช้งานได้ |
อากาศ |
ลักษณะการดำเนินการ |
การแสดงสองครั้ง |
ความดันสูงสุด |
1Mpa |
สภาพแวดล้อมและอุณหภูมิของของเหลว |
0-60 ℃ |
แรงกดดันขั้นต่ำ |
0.1เมกะปาสคาล |
วัสดุของผลิตภัณฑ์ |
อลูมิเนียมอัลลอยด์ |
สารห่อหุ้ม |
แหวนซีลทางเข้า + ปลอกทองแดงหนา |
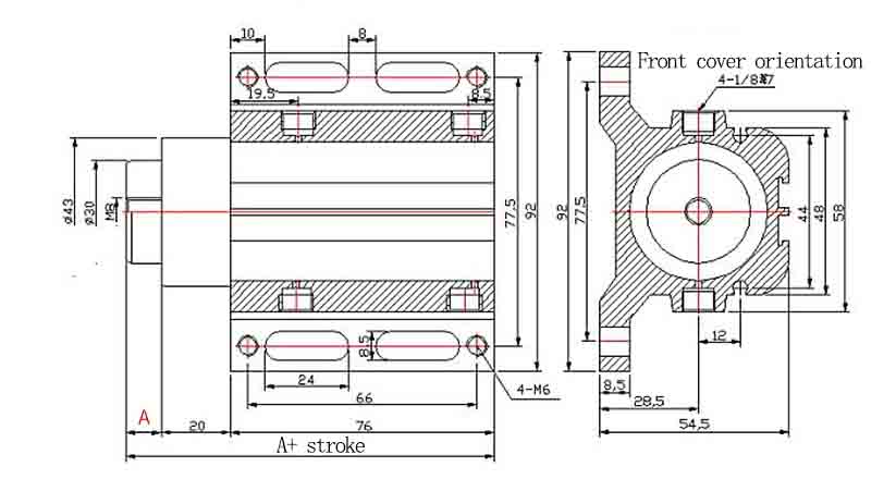
กระบอกกำหนดตำแหน่งเครื่องตัด สเปคภายนอก
รุ่นผลิตภัณฑ์ |
ก |
การเดินทางเอ+ |
HDA40x30-WSO |
0 |
96 |
HDA40x30-WS10 |
10 |
106 |
HDA40x30-WS15 |
15 |
111 |
HDA40x30-WS25 |
25 |
121 |
HDA40x30-WS30 |
30 |
126 |
HDA40x30-WS35 |
35 |
131 |
HDA40x30-WS40 |
40 |
136 |



