ข้อต่อฟิชอาย
ข้อดีของผลิตภัณฑ์กระบอกสูบ Baroclinic
1 กระบอกแรงดันในแนวทแยงใช้กระบวนการโลดโผนก้านลูกสูบเพื่อให้แน่ใจว่ามีความแข็งแรงและไม่แตกหักง่าย
2 ตัวถังออกซิเจนแข็งได้รับการผลิตอย่างระมัดระวัง การเลือกใช้วัสดุโลหะผสมอลูมิเนียมคุณภาพสูง ไม่มีเสี้ยน และมีอายุการใช้งานยาวนาน
3 ผนังด้านในของกระบอกสูบที่มีความแม่นยำสูงใช้กระบวนการเจียรกระจกเพื่อรับรองความถูกต้องและคุณภาพของกระบอกสูบ
4 โครงสร้างที่กะทัดรัด การติดตั้งสะดวก: ซีลความชื้นในตัวมีการปิดผนึกก๊าซที่แข็งแกร่ง ประสิทธิภาพสูง มีเสถียรภาพและทนทาน และไม่มีการรั่วไหลของอากาศ
รายละเอียดสินค้าข้อต่อ Fisheye
1 เทคโนโลยีที่สวยงาม ความหลากหลายของคุณสมบัติเสริม: คุณภาพที่เชื่อถือได้ เทคโนโลยีขั้นสูง เพื่อให้มีข้อกำหนดที่หลากหลายสำหรับการเลือก
2 ผ่านการรับรองระบบสากล ISO สามเพื่อให้มั่นใจในคุณภาพของผลิตภัณฑ์และความน่าเชื่อถือ
3 โรงงานมีสายการผลิตอัตโนมัติหุ่นยนต์ขั้นสูง การประมวลผลที่แม่นยำ ปรับปรุงประสิทธิภาพการผลิตและคุณภาพของผลิตภัณฑ์
พารามิเตอร์ผลิตภัณฑ์ข้อต่อ Fisheye
แบรนด์สินค้า |
เบสเตน |
วัสดุของผลิตภัณฑ์ |
เหล็กแบริ่งที่เหนือกว่า |
ชื่อผลิตภัณฑ์ |
ตลับลูกปืนตาปลาแบบหล่อลื่นในตัวเอง |
คุณลักษณะของผลิตภัณฑ์ |
ชั้นที่ทนต่อการสึกหรอของโลหะผสมนั้นติดตั้งและบำรุงรักษาง่าย |
การใช้ผลิตภัณฑ์ |
ใช้สำหรับการสวิงลิงค์และการบังคับเลี้ยวของส่วนประกอบระบบส่งกำลัง |
รุ่นผลิตภัณฑ์ |
ซีรีส์ SI ซีรีส์ PHS ซีรีส์ POS ซีรีส์ SA ซีรีส์ SI ซีรีส์ SO ซีรีส์ |
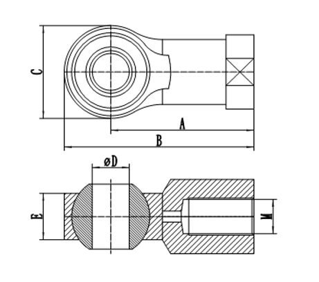
ข้อต่อ Fisheye ข้อกำหนดภายนอก
กระบอกสูบ |
ก |
บี |
ค |
∅D |
อี |
ม |
37 |
49 |
24 |
8 |
M8X1.25 |
||
32 |
45 |
59 |
28 |
0 |
10.5 |
M10X1.25 |
40 |
51 |
67 |
32 |
12 |
2 |
M12X1.25 |
58 |
76 |
36 |
14 |
3 |
MI4X1.5 |
|
50 |
65 |
85 |
40 |
16 |
1 |
M16X1.5 |
63 |
64 |
85 |
40 |
16 |
15 |
M16X1.5 |
80 |
77 |
102 |
50 |
20 |
17 |
M20X1.5 |
100 |
77 |
102 |
50 |
20 |
8 |
M20X1.5 |
125 |
102 |
135 |
66 |
28 |
24 |
M27X2 |
160 |
128 |
168 |
82 |
35 |
22 |
M36X2 |
200 |
128 |
168 |
82 |
35 |
22 |
M36X2 |
250 |
140 |
190 |
90 |
40 |
23 |
M42X2 |



