ข้อต่อฟิตติ้งแบบสัมผัสเดียว สายยาง ชนิด สายยาง ซีรีส์ PE
ข้อต่อสวมเร็วแบบสัมผัสเดียว - ชนิด สายยาง - สายยาง - ซีรีส์ PE ข้อดีของผลิตภัณฑ์
1. รุ่นตัวแปรสามารถนำมาใช้กันอย่างแพร่หลายในระบบนิวแมติกทุกชนิด
2. ประสิทธิภาพการไหลเวียนสูง: มีอัตราการไหลเดียวกันกับปริมาตรของเส้นผ่านศูนย์กลางภายในของท่อ
3.เชื่อมต่อท่อได้อย่างง่ายดายและสะดวก ส่วนการเชื่อมต่อท่อมีความปลอดภัยและทนทาน
4. ส่วนเกลียวถูกหุ้มด้วยน้ำยาซีลและมีเกลียว M5
ติดด้วยปะเก็นซีลเพื่อป้องกันอากาศรั่วไหลผ่านส่วนเกลียวเชื่อมต่อ
รายละเอียดผลิตภัณฑ์ ข้อต่อฟิตติ้งสวมเร็วแบบวันทัช - ชนิด สายยาง - สายยาง - ซีรีส์ PE
ท่อตรงซีรีส์ PE เป็นอุปกรณ์เชื่อมต่อท่อทั่วไป ส่วนใหญ่ใช้ในการถ่ายโอนตัวกลางของไหลในท่อโดยตรงจากท่อหนึ่งไปยังอีกท่อหนึ่ง BESTEN เป็นหนึ่งในแบรนด์ชั้นนำในตลาดที่นำเสนอท่อแบบตรงซีรีส์ PE ผลิตภัณฑ์ดังกล่าวสามารถเลือกได้ตามข้อกำหนดและรุ่นที่แตกต่างกันเพื่อตอบสนองความต้องการของสภาพการทำงานต่างๆ นอกจากนี้ ราคาของท่อตรงซีรีส์ PE จะผันผวนตามข้อกำหนดเฉพาะ วัสดุ และอุปสงค์และอุปทานของตลาด
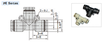
ข้อต่อสวมเร็วแบบสัมผัสเดียว - ชนิด สายยาง - สายยาง - ซีรีย์ PE สเปค ภายนอก
รุ่น/รายการ |
φ[ |
φพี |
เค |
อี |
φเจ |
เจบี |
น้ำหนัก(ก |
PE4 |
4 |
9 |
14 |
17 |
3.2 |
6.5 |
3.1 |
PE6 |
6 |
12.5 |
16.5 |
0 |
3.2 |
8 |
61 |
พีอี8 |
8 |
15 |
18.5 |
23 |
4.3 |
9.5 |
88 |
PE10 |
10 |
18 |
21 |
26.5 |
4.3 |
11 |
13.8 |
PE12 |
12 |
21 |
23 |
30 |
4.3 |
13 |
21 |



